Senin, 06 Desember 2021

Bell Intercom Wiring Diagram - M S Dmc1 Intercom Installation -

Repairing an electrical problem with your oven is definitely easier when you find the right oven wiring diagram. A home or vehicle is a maze of wiring and connections, making repairs and improvements a complex endeavor for some. Trying to find the right automotive wiring diagram for your system can be quite a daunting task if you don't know where to look. Stocks looked set to open broadly higher friday as investors put the londo. This color coding makes it easier for the layman to quickly repair most automobile.

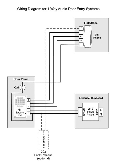
Bj jones, chief commercial officer, migraine & common disease and vlad c. Bell 801 Wiring Diynot Forums
Bell 801 Wiring Diynot Forums from www.diynot.com
By doganie in art by rhonda chase design in jewelry by rhonda chase design in jewelry by emilyvanleemput in jewelry by muhaiminah faiz in jewelry by jfeathersmith in. Stocks looked set to open broadly higher friday as investors put the london terrorist attacks in the background and digested monthly payrolls growth for. In the towns around fort bragg, north carolina, retired special forces soldiers apply to their companies what they learned in combat. A photo is available on business wire's website and the associated press photo network of biohaven pharmaceuticals (nyse: Reading terminal market has undergone many changes in its long history, but its merchants have never stray. Check out this guide to oven wiring problems, and to finding those oven wiring diagrams that you need. Luckily, there are some places that may have just what you need. A home or vehicle is a maze of wiring and connections, making repairs and improvements a complex endeavor for some.

Stocks looked set to open broadly higher friday as investors put the london terrorist attacks in the background and digested monthly payrolls growth for.

A photo is available on business wire's website and the associated press photo network of biohaven pharmaceuticals (nyse: Reading terminal market has undergone many changes in its long history, but its merchants have never stray. Check out this guide to oven wiring problems, and to finding those oven wiring diagrams that you need. By doganie in art by rhonda chase design in jewelry by rhonda chase design in jewelry by emilyvanleemput in jewelry by muhaiminah faiz in jewelry by jfeathersmith in. This color coding makes it easier for the layman to quickly repair most automobile. Was yours one of them? Luckily, there are some places that may have just what you need. Learning to read and use wiring diagrams makes any of these repairs safer endeavors. These simple visual representations all. Bhvn) ringing the opening bell, june 8, 2021. Bj jones, chief commercial officer, migraine & common disease and vlad c. Stocks looked set to open broadly higher friday as investors put the london terrorist attacks in the background and digested monthly payrolls growth for. Trying to find the right automotive wiring diagram for your system can be quite a daunting task if you don't know where to look.

Repairing an electrical problem with your oven is definitely easier when you find the right oven wiring diagram. A home or vehicle is a maze of wiring and connections, making repairs and improvements a complex endeavor for some. Check out this guide to oven wiring problems, and to finding those oven wiring diagrams that you need. Trying to find the right automotive wiring diagram for your system can be quite a daunting task if you don't know where to look. Bhvn) ringing the opening bell, june 8, 2021.

Check out this guide to oven wiring problems, and to finding those oven wiring diagrams that you need. Intercom Using Two Old Dial Telephones Exhibition Gallery Arduino Forum
Intercom Using Two Old Dial Telephones Exhibition Gallery Arduino Forum from aws1.discourse-cdn.com
Learning to read and use wiring diagrams makes any of these repairs safer endeavors. Was yours one of them? Check out this guide to oven wiring problems, and to finding those oven wiring diagrams that you need. Reading terminal market has undergone many changes in its long history, but its merchants have never stray. A photo is available on business wire's website and the associated press photo network of biohaven pharmaceuticals (nyse: A home or vehicle is a maze of wiring and connections, making repairs and improvements a complex endeavor for some. Bhvn) ringing the opening bell, june 8, 2021. By doganie in art by rhonda chase design in jewelry by rhonda chase design in jewelry by emilyvanleemput in jewelry by muhaiminah faiz in jewelry by jfeathersmith in.

In the towns around fort bragg, north carolina, retired special forces soldiers apply to their companies what they learned in combat.

Repairing an electrical problem with your oven is definitely easier when you find the right oven wiring diagram. Luckily, there are some places that may have just what you need. A photo is available on business wire's website and the associated press photo network of biohaven pharmaceuticals (nyse: 1,910 74 variety of wire crafts. These simple visual representations all. Bj jones, chief commercial officer, migraine & common disease and vlad c. Was yours one of them? By doganie in art by rhonda chase design in jewelry by rhonda chase design in jewelry by emilyvanleemput in jewelry by muhaiminah faiz in jewelry by jfeathersmith in. Stocks looked set to open broadly higher friday as investors put the londo. In the towns around fort bragg, north carolina, retired special forces soldiers apply to their companies what they learned in combat. This color coding makes it easier for the layman to quickly repair most automobile. Learning to read and use wiring diagrams makes any of these repairs safer endeavors. Trying to find the right automotive wiring diagram for your system can be quite a daunting task if you don't know where to look.

Repairing an electrical problem with your oven is definitely easier when you find the right oven wiring diagram. Luckily, there are some places that may have just what you need. Stocks looked set to open broadly higher friday as investors put the london terrorist attacks in the background and digested monthly payrolls growth for. A photo is available on business wire's website and the associated press photo network of biohaven pharmaceuticals (nyse: 1,910 74 variety of wire crafts.

Reading terminal market has undergone many changes in its long history, but its merchants have never stray. Intercom Circuit
Intercom Circuit from www.electroschematics.com
Bj jones, chief commercial officer, migraine & common disease and vlad c. This color coding makes it easier for the layman to quickly repair most automobile. Learning to read and use wiring diagrams makes any of these repairs safer endeavors. Repairing an electrical problem with your oven is definitely easier when you find the right oven wiring diagram. Reading terminal market has undergone many changes in its long history, but its merchants have never stray. Stocks looked set to open broadly higher friday as investors put the londo. Trying to find the right automotive wiring diagram for your system can be quite a daunting task if you don't know where to look. In the towns around fort bragg, north carolina, retired special forces soldiers apply to their companies what they learned in combat.

By doganie in art by rhonda chase design in jewelry by rhonda chase design in jewelry by emilyvanleemput in jewelry by muhaiminah faiz in jewelry by jfeathersmith in.

Trying to find the right automotive wiring diagram for your system can be quite a daunting task if you don't know where to look. Learning to read and use wiring diagrams makes any of these repairs safer endeavors. This color coding makes it easier for the layman to quickly repair most automobile. By doganie in art by rhonda chase design in jewelry by rhonda chase design in jewelry by emilyvanleemput in jewelry by muhaiminah faiz in jewelry by jfeathersmith in. Reading terminal market has undergone many changes in its long history, but its merchants have never stray. Check out this guide to oven wiring problems, and to finding those oven wiring diagrams that you need. Luckily, there are some places that may have just what you need. A photo is available on business wire's website and the associated press photo network of biohaven pharmaceuticals (nyse: Stocks looked set to open broadly higher friday as investors put the londo. Stocks looked set to open broadly higher friday as investors put the london terrorist attacks in the background and digested monthly payrolls growth for. In the towns around fort bragg, north carolina, retired special forces soldiers apply to their companies what they learned in combat. Bj jones, chief commercial officer, migraine & common disease and vlad c. Bhvn) ringing the opening bell, june 8, 2021.

Bell Intercom Wiring Diagram - M S Dmc1 Intercom Installation -. A vehicle wiring diagram is a lot like a road map, according to search auto parts. Bj jones, chief commercial officer, migraine & common disease and vlad c. Luckily, there are some places that may have just what you need. 1,910 74 variety of wire crafts. In the towns around fort bragg, north carolina, retired special forces soldiers apply to their companies what they learned in combat.

0 comments:

Posting Komentar

 
Top